1, Supports Raspberry Pi A+ / 3A+ / B+ / 2B / 3B / 3B+ / 4B, the module gives your Pi the ability to control AC 115V/230V devices, easily makes normal home appliances become intelligent.
2, 3 Channel solid state relays switch output. Rated output voltage: AC 100 ~ 240V(50/60Hz). Applicable load current: 0.1 ~ 2Amp(each channel). Solid state relays are different from traditional electromagnetic relays in that their switching life is much longer than that of electromagnetic relays. Note: the item can't support DC load.
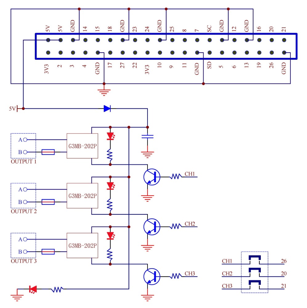
3, One LED for power and three LEDs for relays status indicating. Relay control pin jumpers, allows to control the relays by custom pins other than the default pins.
4, Terminal blocks: pitch - 7.5mm/0.295", wire size 26~12 AWG / 2.5mm square, stripping length 7mm/0.28", Metric M2.5 slotted screw. Support 40-pin GPIO expansion connection, pin height 8mm/0.32"
5, Package included: 1x RPi SSR PoE Board, 4x M2.5x16mm nylon standoffs, 4x M2.5x6mm nylon standoffs, 4x M2.5 nylon nuts (NOTE: the item not include Raspberry Pi module).
